Laptop Schematic Diagram Pdf

Laptop Schematic Diagram Pdf

Asus Schematics Page 9 Laptop Schematic

Doc Diagram Laptop Diagram Pdf Ebook Schematic

Dell Inspiron 1525 Schematic Diagram

Compaq Wiring Diagrams

Hp Laptop Diagram Alfa Img Showing Gt Diagram Of The Hp

Hp Motherboard Diagram Wiring Schematic Diagram 19 Laiser

Laptop Schematic Diagram Intel Montevina Mobile Platform

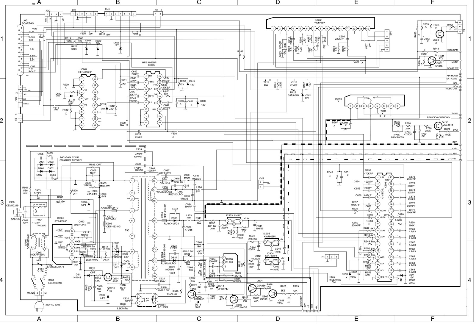
Crt Tv Diagram Wiring Diagram Dash

Schemalaptop Free Download Laptop Schematics Dell

Asus Laptop Schematic Diagram Pdf Informaticanapoli

Share:

Posting Lainnya:

Disqus Comments